24小时服务热线
0391-7543530
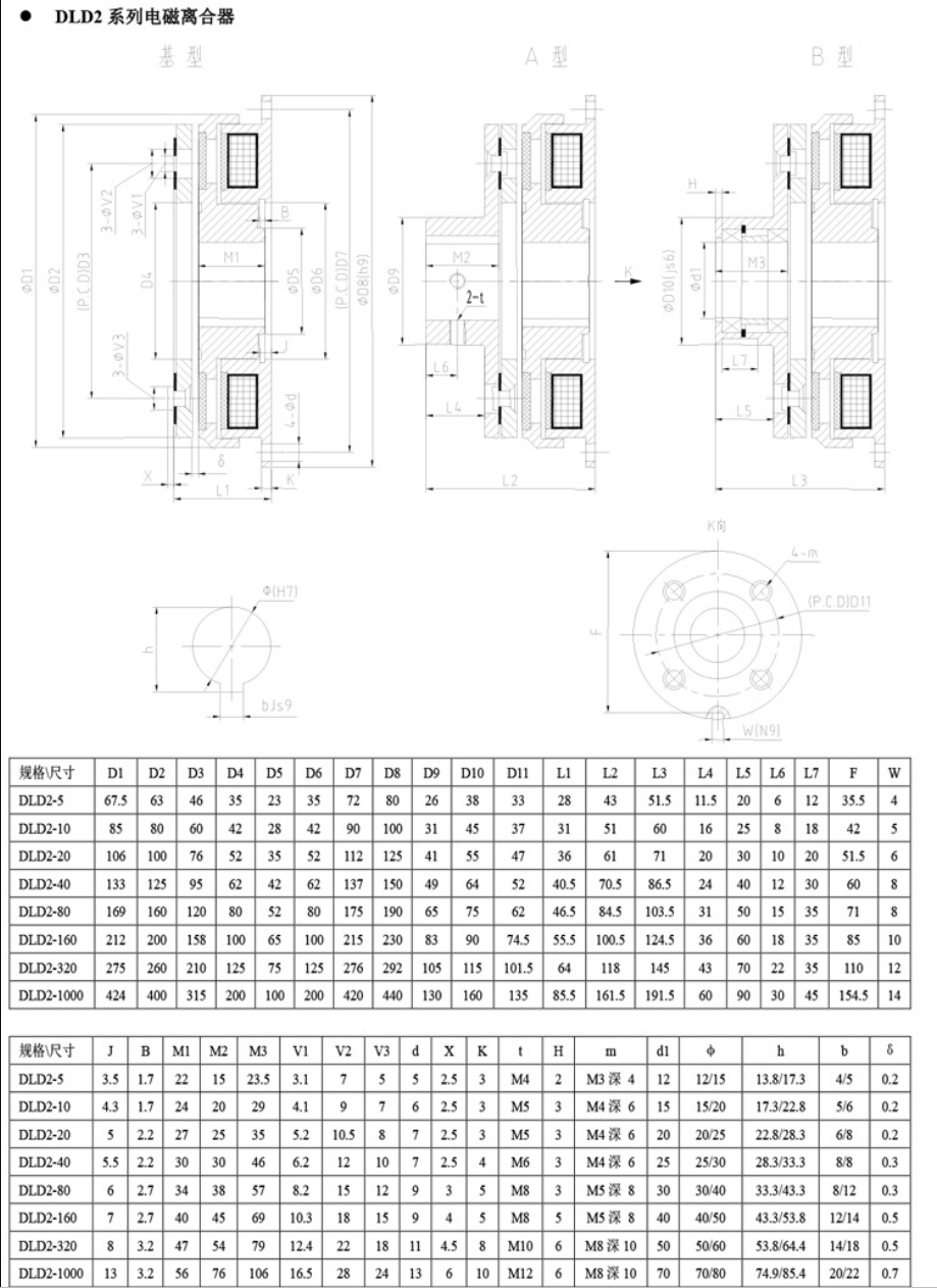
电磁离合器
公司始终本着“ 敬业、求实、创新 ”的经营理念,坚持“ 质量上乘、信誉优先 ”的宗旨为广大用户提供质优产品和质优服务
当前位置:首页 > 产品中心 > 电机制动器 > 电磁离合器
发布日期:2024-05-13
产品描述:
在常规通用型产品的生产至新产品的研制,产品的品种至今以超过千余种,公司成立至始,始终以“勤、诚、信”的企业文化精神,赢得社会广大客户的支持和信任,造就了临瑞牌制动器等产品在各界广业树立了良好形象。
推荐产品:
我们会在24小时内回复您的信息,欢迎垂询!
DLD5-基本型
DLD5-B电磁离合器
DLD5-A电磁离合器
DLD2-I电磁离合器
DLD2-B电磁离合器
DLD2-A电磁离合器
TOP
QQ客服
首页
电话
短信
位置